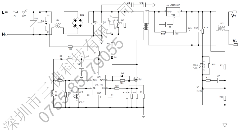
在現代電子設備中,電源適配器的性能和效率至關重要。本文將詳細介紹LP8773S+LP20R100T這一12V3A適配器方案的原理圖和電路板設計,以及其技術規格和應用領域。

LP8773S+LP20R100T方案是一款高性能的電源適配器解決方案,它結合了LP8773S芯片和LP20R100T電感器,能夠提供高達3A的穩定電流輸出。該方案以其高效率、低功耗和優越的EMI性能而受到市場的青睞。
LP8773S是一款集成了多種功能的電源管理芯片,其特點包括:
輕松滿足能效六級標準。
輸入電壓斷電保護。
專有的準諧振技術。
數字抗抖動技術實現無音頻噪聲操作。
數字頻率監控技術。
數字抖頻技術優化EMI。
待機功耗小于100mW。
多模式控制方式提升效率。
最大限制頻率80KHz。
QR模式,52KHz最小頻率限制。
CCM模式,自適應斜坡補償。
內置軟啟動功能。
管腳浮空保護。
內置同步斜坡補償。
前沿消隱。
VDD欠壓、過壓以及鉗位保護。

LP8773S+LP20R100T方案的原理圖設計簡潔而高效。核心部分包括LP8773S芯片和LP20R100T電感器,以及其他必要的外圍元件。原理圖設計中,特別注意以下幾點:
輸入濾波:確保電源適配器的輸入端有足夠的濾波,以減少EMI和提高電源質量。
反饋回路:通過精確的反饋回路設計,確保輸出電壓的穩定性和準確性。
保護電路:包括過壓、欠壓、過流和短路保護,以確保電源適配器在各種異常情況下的安全運行。
電路板設計同樣遵循簡潔高效的原則。主要考慮因素包括:

布局:關鍵元件如LP8773S和LP20R100T應盡可能靠近放置,以減少PCB走線的電阻和電感。
走線:電源線和地線應盡可能寬,以減少電壓降和提高電流承載能力。
散熱:考慮到功率損耗,電路板設計應有足夠的散熱措施,如散熱孔和大面積的銅箔。
LP8773S+LP20R100T方案適用于多種需要12V3A電源的場合,包括但不限于:
工業控制系統。
通信設備。
家用電器。
筆記本電腦和平板電腦的電源適配器。
LP8773S+LP20R100T方案以其卓越的性能和可靠性,為電源適配器市場提供了一個強有力的選擇。通過精心設計的原理圖和電路板,該方案能夠滿足各種高要求的應用需求,確保設備的穩定運行和長期可靠性。隨著技術的不斷進步,LP8773S+LP20R100T方案有望在未來的電源適配器設計中發揮更大的作用。